CAL-62 Cell Complete Medium (CM-0618)
-
-
-
- +3
Add to cart
For research use only.
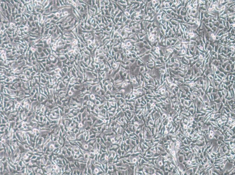
| Product Introduction | CAL-62 Cell Complete Medium is a ready-to-use medium that can be directly used for the culture of CAL-62 cells, which is carefully designed and optimized by Procell's R&D team based on DMEM basal medium. This high-quality complete medium has been strictly verified by CAL-62 cells which could promote cell proliferation and maintain cell properties. |
| Concentration | 1× |
| Format | Liquid |
| Mycoplasmal Detection | Negative |
| pH | 7.4-7.8 |
| Components | DMEM [PM150210]+10% Nutrient+1% Supplement |
| Green Features | Sustainable packaging |
| Endotoxin Level (EU/mL) | < 3 |
| Storage | This product can be stored at 2-8℃ for 6 months with shading light. |
| Shipping | Ice bag |
| Expiration Date | 6 months |
| Matters Need Attention |
1. This product is only used for scientific research or further research, not for diagnosis and treatment. 2. This product is sterilized by 0.1 μm filtration. 3. It is necessary to pay attention to the aseptic operation and avoid the contamination during the culture. 4. It is not suitable for long time storage at room temperature. 5. This product is a ready-to-use medium. If there is no special need, don't add serum, penicillin and streptomycin. It can be used directly. |
| System Certification |
GMP Production and Quality System The company complies with cGMP requirements, holds the NMPA medical device registration certificate, and is certified under ISO 13485 and ISO 9001 standards. Among its products, the company's CAL-62 Cell Complete Medium complies with ISO 9001. |
| Cat.No. | Product Name | Clone No. |
|---|
-
IF:{{item.impact}}
Journal:{{item.journal}} ({{item.year}})
DOI:{{item.doi}}Reactivity:{{item.species}}
Sample Type:{{item.sample_type}}
-
Q{{(FAQpage.currentPage - 1)*pageSize+index+1}}:{{item.name}}
No files available. Please enter the correct identification code in the search area to query the relevant documents.
| Title | Status | Valid until | Action | |
|---|---|---|---|---|
| {{v.文件名}} | {{v.status_str}} | {{v.timestamp_str}} | Download | / |
*Note:Please download the relevant files within the validity period. After expiration, file preview and download will not be available on the page.

